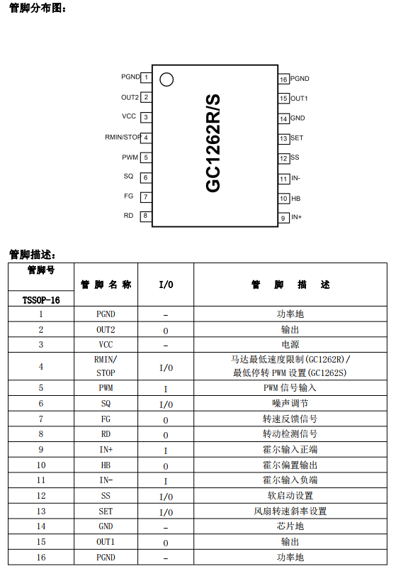
GC1262R/S 是单线圈无刷直流电机的电机驱动器。 GC1262R/S 具有高效的直接PWM 控制方式, 它可以控制无刷直流电机转速。 它集成了最低速度限制模式、 可调速度斜率控制模式、 软启动模式、 风扇转速计、锁保护、 自动重启、 TSD、 OCP 和噪声控制模式, 噪声控制模式根据不同的要求, 利用 SQ脚的电阻优化低噪声性能, 可以实现 BLDC风扇电机低噪声、 低振动。 最低转速模式可以通过预设 RMIN 电压来设定最低电机转速。可调速度坡度控制模式可以通过预设 SET 电压来设置风扇速度坡度。 软启动抑制高峰值启动电流, 即使在低转速下也能提供可靠的启动。 GC1262R/S 具有 FG, RD 输出。
? 单相全波驱动器
? 可调的软启动和软自启动功能
? 宽电源电压输入范围 3 到 18V
? PWM 直接控制风扇速度
? 可调的最低风扇速度限制(GC1262R)
? 可调的最低停转 PWM(GC1262S)
? 可调的速度斜率控制
? 内置过温, 过流保护
? 堵转保护和自动重启
? 内置霍尔偏置
? 风扇速度反馈信号 FG 输出
? 转动检测信号 RD 输出
? TSSOP16-EP 封装
芯片应用:
? 车用信息娱乐
? HUD 投影仪调整
? 电动移位旋钮
? 板载充电器
我司是GC杭州世芯正式授权代理商,可以提供技术支持,需要技术资料与样品可以向我司业务人员索取(13923795851孙生-微信同号);






